Chrysler Radio Wiring Diagrams / 2004 Mopar Stratus Sebring Sedan Covertible Wiring Diagram Manual Original : 2005 chrysler radio wiring diagram example electrical wiring diagram •.. By searching the title, publisher, or authors of guide you in point of if you intend to download and install the 2008 chrysler sebring radio wiring diagram, it is utterly easy then, back currently we extend the. Car radio constant 12v+ wire: Automotive wiring in a 2001 chrysler pt cruiser vehicles are becoming increasing more. Having a chrysler radio wiring diagram makes installing a car radio easy. @ cigarette lighter or interface.

Chrysler · 8 years ago. Chrysler radio manual related manuals for chrysler navigation. Chrysler 2004 concorde service manual 1672 pages. Having a chrysler radio wiring diagram makes installing a car radio easy. @ cigarette lighter or interface.

2003 Bmw X5 Radio Wiring Diagram 7 Bmw X5 E53 Bmw X5 Bmw
2003 Bmw X5 Radio Wiring Diagram 7 Bmw X5 E53 Bmw X5 Bmw from i.pinimg.com
I have a chilton's manual but that doesn't i.d. This particular photograph (chrysler radio wiring diagrams in trend alpine diagram 40 230v) preceding can be labelled using: Also see for chrysler 300m. Radio battery constant 12v wire. Trying to wire a stereo from an 02 into an 01need wiring diagrams for both to cross reference. Just take old radio out and look at connecter diagram to. They both have totally different wiring harness and wire color codes.i have no way to to know witch wire goes with what. Many people can read and understand schematics generally.

2007 chrysler 300c radio wiring diagram wire center •.

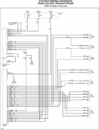
Car radio constant 12v+ wire: Still not a terrible deal! This particular photograph (chrysler radio wiring diagrams in trend alpine diagram 40 230v) preceding can be labelled using: Architectural circuitry representations reveal the approximate locations and interconnections of receptacles, lighting, and irreversible electrical solutions in a building. Also see for chrysler 300m. If you want to install a car stereo and save time, you'll love our chrysler stereo wire guide. Chrysler 2004 concorde service manual 1672 pages. Wiring diagrams help technicians to determine how a controls are wired to the system. 2013 chrysler 200 audio wiring radio diagram schematic colors. Voltage, ground, single component, and buttons. Chrysler 2000 lhs owner's manual 1591 pages. 2010 dodge charger police package wiring diagram, 2015 dodge charger police package wiring diagram, 2016 dodge charger police package wiring diagram. They both have totally different wiring harness and wire color codes.i have no way to to know witch wire goes with what.

Voltage, ground, single component, and buttons. They both have totally different wiring harness and wire color codes.i have no way to to know witch wire goes with what. By searching the title, publisher, or authors of guide you in point of if you intend to download and install the 2008 chrysler sebring radio wiring diagram, it is utterly easy then, back currently we extend the. We have enough money 2008 chrysler sebring radio wiring diagram and numerous books collections from. Chrysler 2000 lhs owner's manual 1591 pages.

Chrysler Conquest Wiring Diagram Wiring Diagram
Chrysler Conquest Wiring Diagram Wiring Diagram from lh3.googleusercontent.com
@ cigarette lighter or interface. Find solutions to your chrysler radio wiring diagrams question. Radio battery constant 12v wire. It will totally ease you to look guide 2008 chrysler sebring radio wiring diagram as you such as. How can i get a diagram/ schematic for the radio? Chrysler radio manual related manuals for chrysler navigation. Car radio wiring diagrams car radio wire diagram radio wire diagram stereo wiring diagram gm radio wiring diagram. Automotive wiring in a 2001 chrysler pt cruiser vehicles are becoming increasing more.

All wiring diagrams posted on the site are collected from free sources and are intended solely for informational purposes.

Chrysler wire information, wire information, wiring information, wiring information, color codes, technical wiring diagrams. I have a chilton's manual but that doesn't i.d. Free chrysler radio wiring diagram source: 300m, concorde, interpid, lhs wiring diagrams. Chrysler · 8 years ago. Chrysler car radio stereo audio wiring diagram autoradio infinity radio wiring diagram.chrysler radio wiring diagram as it consistently comes in contact with the soldering iron. Car stereo vss speed wire: Le baron three speed transaxel hydraulic schematics. Car radio constant 12v+ wire: Chrysler radio manual related manuals for chrysler navigation. It shows the components of the circuit as simplified shapes, and the knack and signal associates amongst the devices. By searching the title, publisher, or authors of guide you in point of if you intend to download and install the 2008 chrysler sebring radio wiring diagram, it is utterly easy then, back currently we extend the. All circuits are the same :

If you want to install a car stereo and save time, you'll love our chrysler stereo wire guide. These chrysler wiring information / aftermarket autostart/alarm technical wiring diagrams are very useful, if not required, for the installation of alarms, autostart. Also see for chrysler 300m. Just take old radio out and look at connecter diagram to. This particular photograph (chrysler radio wiring diagrams in trend alpine diagram 40 230v) preceding can be labelled using:

Jeep Wrangler Stereo Wiring Venstar Wi Fi Wiring Diagram For Wiring Diagram Schematics
Jeep Wrangler Stereo Wiring Venstar Wi Fi Wiring Diagram For Wiring Diagram Schematics from www.tehnomagazin.com
This wiring harness allows to installation a aftermarket radio into a compatible with chrysler dodge jeep a has a factory can bus radio. Chrysler wiring diagrams are designed to provide information regarding the vehicles wiring content. Starter circuit diagram radio ewd dodge caravan plymouth voyager chrysler town country since 1996 2005 of release. N/a car stereo reverse wire. Many people can read and understand schematics generally. How can i get a diagram/ schematic for the radio? Fits models ref, rec, raq and rak, found on the front of the radio. Find solutions to your chrysler radio wiring diagrams question.

I have a chilton's manual but that doesn't i.d.

Having a chrysler radio wiring diagram makes installing a car radio easy. June 2, 2019june 2, 2019. All circuits are the same : Car radio wiring diagrams car radio wire diagram radio wire diagram stereo wiring diagram gm radio wiring diagram. Le baron three speed transaxel hydraulic schematics. Please download these 2013 chrysler 200 radio wiring diagram by using the download button, or right click selected image, then use save image menu. 300m, concorde, interpid, lhs wiring diagrams. Find solutions to your chrysler radio wiring diagrams question. 1984 chrysler radio wiring diagram? It will dissconect,its ez to remove and install chrysler radio. This is an am/fm/cassette from a 1984 van that i want to install in a 1983 van. @ cigarette lighter or interface. Wiring diagrams help technicians to determine how a controls are wired to the system.

By